Valve body material:Ductile iron (Q), Carbon steel (C), SS304 (P)
Nominal diameter:DN15~DN600
Sealing material:PTFE (F), EPDM (X3), SI (X5)
Medium temperature:W2: -20~80℃, W7: -20~150℃
Shanghai Metal Corporation is experienced manufacturer of electric valve in China since1980s.
Electric valve is an automated device that uses an electric actuator to control the valve opening and closing. Electric valves can control the pipeline system by controlling the on/off or flow rate of the fluid through electric actuators. The stroke of the electric valve can be adjusted as needed, including various forms such as 90°angle stroke, straight stroke, etc. It is widely used for controlling various types of fluids such as corrosive medium, mud, oil, steam, etc.
If you want to know more about electric valve price, please feel free to contact us, we will reply you within 24 hours.
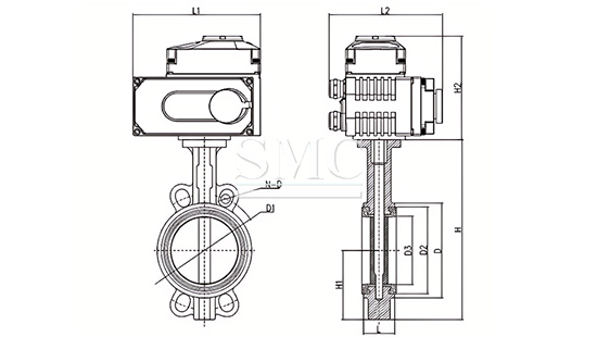
Technical Information of Electric Valve:

|
ELECTRIC OVERALL DIMENSIONS CHART-PN10、16(10、16bar) |
|||||||||
|
DN |
Overall Dimenslon |
Connection Size 1.0/1.6 |
|||||||
|
|
L |
H |
L1 |
L2 |
H2 |
D |
D1 |
D2 |
N-D |
|
40 |
42 |
193 |
165/320 |
150/220 |
135/270 |
101 |
110 |
76 |
4-16 |
|
50 |
42 |
193 |
165/320 |
150/220 |
135/270 |
101 |
125 |
76 |
4-16 |
|
65 |
45 |
212 |
165/320 |
150/220 |
135/270 |
117 |
145 |
89 |
4-16 |
|
80 |
45 |
232 |
165/320 |
150/220 |
135/270 |
127 |
160 |
103 |
8-16 |
|
100 |
52 |
280 |
190/320 |
170/220 |
140/270 |
157 |
180 |
135 |
8-16 |
|
125 |
55 |
302 |
190/355 |
170/250 |
140/275 |
181 |
210 |
159 |
8-16 |
|
150 |
55 |
330 |
190/375 |
170/290 |
140/315 |
214 |
240 |
188 |
8-20 |
|
200 |
60 |
419 |
270/375 |
220/290 |
170/315 |
266 |
295 |
238 |
8-20/12-20 |
|
250 |
66 |
482 |
270/375 |
220/210 |
170/210 |
318 |
350/355 |
292 |
12-20/12-24 |
|
300 |
76 |
553 |
270/400 |
220/330 |
170/360 |
374 |
400/410 |
344 |
12-20/12-24 |
|
350 |
76 |
635 |
270/400 |
220/330 |
170/360 |
436 |
460/470 |
375 |
16-20/16-24 |
|
400 |
86 |
709 |
400 |
330 |
520 |
48B |
515/525 |
439 |
16-24/16-27 |
|
450 |
105 |
750 |
400 |
330 |
520 |
539 |
565/585 |
490 |
20-24/20-27 |
|
500 |
130 |
840 |
400 |
330 |
520 |
594 |
620/650 |
535 |
20-24/20-30 |
|
600 |
151 |
1021 |
|
|
|
693 |
725/770 |
653 |
20-27/20-33 |
Packaging of Electric Valve:
Products of Shanghai Metal Corporation are packed and labeled according to the regulations and customer's requests. Great care is taken to avoid any damage which might be caused during storage or transportation. In addition, clear labels are tagged on the outside of the packages for easy identification of the product I. D. and quality information.
1)SMC Standard
2)Customization
